シャッター - 電動シャッターモーター・配線・コントローラー

新日軽シャッター    シェルムーン      C8AAB1075

新日軽 窓・テラス用シャッターの電動モーターです。
窓の大きさにより電動モーターを選らんで下さい、
モーターの選択は、既設の商品と比べてみるか、窓の大きさで選別します。
いずれにしても品番で判別出来れはいいのですが、品番不明の時はある程度電動モーターの知識が必要となります。

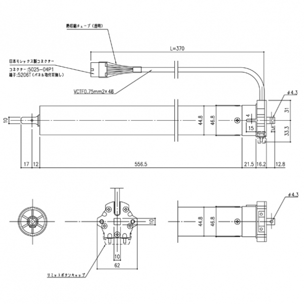
写真を拡大する

※上の写真をクリックすると写真が切り替わります。

メーカー名 新日軽・日軽ビル
商品コード 138C8AAB1075/
入数

1台・取り付け用付属品1袋

仕様

新日軽 シェルムーンには、
多種の電動のメーカーが
使用されています。

備考

テラス用・窓用共通ですが、
シャッターの大きさにより
モーターを選んで下さい。

関連部品

シャッターの抜け止めピース
ストッパーブロック

テラス用・窓用は共通ですが
W2300~2800 H1700~2400迄のサイズで使用します。
手動開閉装置付はC8AAB1076を使用ください。

販売価格: 77,000円(税抜)
84,700円(税込)

在庫数:1     数量

一覧へ戻る

前のページへ 次のページへ

▲ページのトップに戻る

ONLINE SHOPPING

ONLINE SHOPPING

  • 商品を探す
  • 取り扱い商品カテゴリー一覧
  • 商品を探す 取り扱い商品カテゴリー一覧
  • 無料 商品検索依頼
  • サッシのお悩み相談室 FAQ よくあるご質問
  • 店舗受け取りサービス
  • 無料 商品検索依頼
  • サッシのお悩み相談室 FAQ よくあるご質問
  • 店舗受け取りサービス
店舗情報

店舗情報

〒454-0912
愛知県名古屋市中川区野田1-164

052-354-6516 052-361-3430

※電話でのご注文はお受けできません。

052-361-3430
Google mapで確認
052-354-6516 052-361-3430

※電話でのご注文はお受けできません。

052-361-3430
Google mapで確認
  • 送料について
  • ご利用規約
  • 特定商取引法に基づく表示
  • 個人情報の取り扱いについて
  • 運営会社
  • サイトマップ
  • 返品について

未開封・未使用のものに限り、7日以内に当社までご連絡ください。
詳しくはコチラ