リビング・室内建具 - リビング戸車・吊車

  • 完売間近

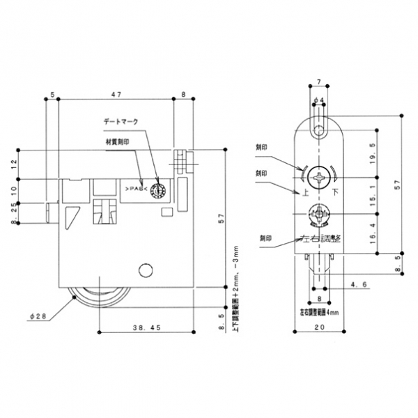
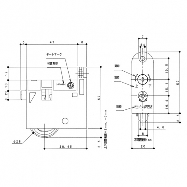
永大産業 EIDAI    TDB-S9B

旧形状(S4/S6)からの代用の場合、建具本体に追加加工が必要となります。
詳しくは下図の「扉側の加工寸法」にてご確認ください。

写真を拡大する

※上の写真をクリックすると写真が切り替わります。

メーカー名 永大産業
商品コード
入数

1個入

ブラック

備考

2次元調整戸車 

メーカー指定 代替品

永大産業 EIDAI TDB-S10B

メーカー廃番品。代替品を使用して下さい。

一覧へ戻る

前のページへ 次のページへ

▲ページのトップに戻る

ONLINE SHOPPING

ONLINE SHOPPING

  • 商品を探す
  • 取り扱い商品カテゴリー一覧
  • 商品を探す 取り扱い商品カテゴリー一覧
  • 無料 商品検索依頼
  • サッシのお悩み相談室 FAQ よくあるご質問
  • 店舗受け取りサービス
  • 無料 商品検索依頼
  • サッシのお悩み相談室 FAQ よくあるご質問
  • 店舗受け取りサービス
店舗情報

店舗情報

〒454-0912
愛知県名古屋市中川区野田1-164

052-354-6516 052-361-3430

※電話でのご注文はお受けできません。

052-361-3430
Google mapで確認
052-354-6516 052-361-3430

※電話でのご注文はお受けできません。

052-361-3430
Google mapで確認
  • 送料について
  • ご利用規約
  • 特定商取引法に基づく表示
  • 個人情報の取り扱いについて
  • 運営会社
  • サイトマップ
  • 返品について

未開封・未使用のものに限り、7日以内に当社までご連絡ください。
詳しくはコチラ