ホクショー製・化成工業製とありますが、商品は同じものになります。メーカー指定ができませんので予めご理解のほどお願いいたします。
※上の写真をクリックすると写真が切り替わります。
10m巻
ブラック
アパート・マンションドア
下枠・吊元側
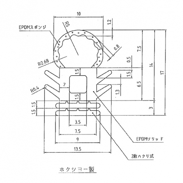
上枠・戸先側 ATG206
在庫数:1 数量 巻
▲ページのトップに戻る
〒454-0912愛知県名古屋市中川区野田1-164
※電話でのご注文はお受けできません。
未開封・未使用のものに限り、7日以内に当社までご連絡ください。 詳しくはコチラ
未開封・未使用のものに限り、7日以内に当社までご連絡ください。詳しくはコチラ