商品判別は、刻印等がありませんので姿図・寸法により判断願います。
※上の写真をクリックすると写真が切り替わります。
10M巻
シルバーブラック ※廃番ホワイトブロンズ ※廃番
浴室2枚折戸 バスミックス
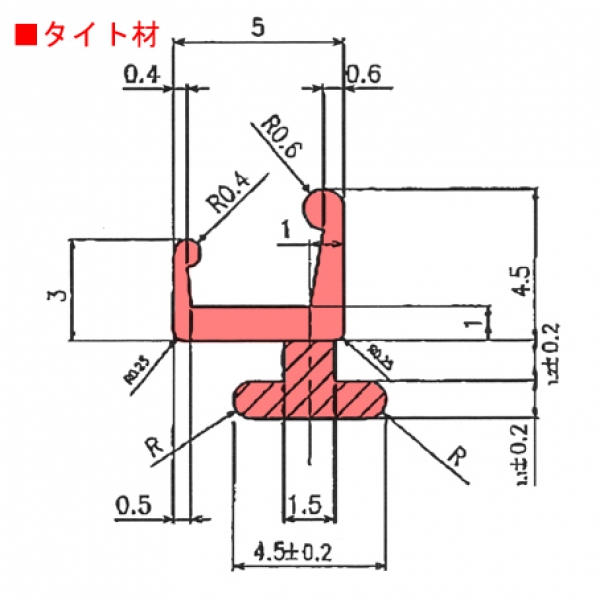
タテ枠タイト材
こちらの商品は取寄せになります。実働1週間程御時間をいただいております。
◆商品の仕様のご選択 選択してください シルバー(セット) ホワイト(セット)
数量 セット
▲ページのトップに戻る
〒454-0912愛知県名古屋市中川区野田1-164
※電話でのご注文はお受けできません。
未開封・未使用のものに限り、7日以内に当社までご連絡ください。 詳しくはコチラ
未開封・未使用のものに限り、7日以内に当社までご連絡ください。詳しくはコチラ