ドア・引戸・勝手口(錠以外) - 戸当たり・気密材

三和シャッター ATゴム ATG205 m販売

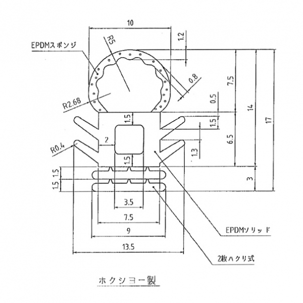
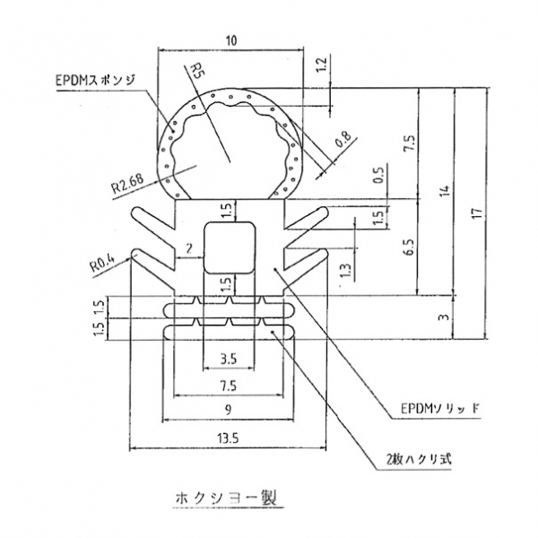
ホクショー製・化成工業製とありますが、商品は同じものになり
メーカー在庫状況により出荷となります。
メーカー指定ができませんので予めご理解のほどお願いいたします。

写真を拡大する

※上の写真をクリックすると写真が切り替わります。

メーカー名 三和シャッター・明治アルミ
商品コード
発注単位

1m~

ブラック

適用商品

アパート・マンションドア

備考

下枠・吊元側

関連部品

上枠・戸先側 ATG206

11M~30Mは弊社在庫状況にり実働約2週間程お時間頂く場合がございます。

※30Mが最大M数となります。

販売価格: 500円(税抜)
550円(税込)

数量 m

一覧へ戻る

前のページへ 次のページへ

▲ページのトップに戻る

ONLINE SHOPPING

ONLINE SHOPPING

  • 商品を探す
  • 取り扱い商品カテゴリー一覧
  • 商品を探す 取り扱い商品カテゴリー一覧
  • 無料 商品検索依頼
  • サッシのお悩み相談室 FAQ よくあるご質問
  • 店舗受け取りサービス
  • 無料 商品検索依頼
  • サッシのお悩み相談室 FAQ よくあるご質問
  • 店舗受け取りサービス
店舗情報

店舗情報

〒454-0912
愛知県名古屋市中川区野田1-164

052-354-6516 052-361-3430

※電話でのご注文はお受けできません。

052-361-3430
Google mapで確認
052-354-6516 052-361-3430

※電話でのご注文はお受けできません。

052-361-3430
Google mapで確認
  • 送料について
  • ご利用規約
  • 特定商取引法に基づく表示
  • 個人情報の取り扱いについて
  • 運営会社
  • サイトマップ
  • 返品について

未開封・未使用のものに限り、7日以内に当社までご連絡ください。
詳しくはコチラ